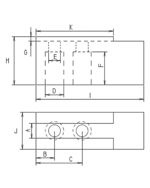
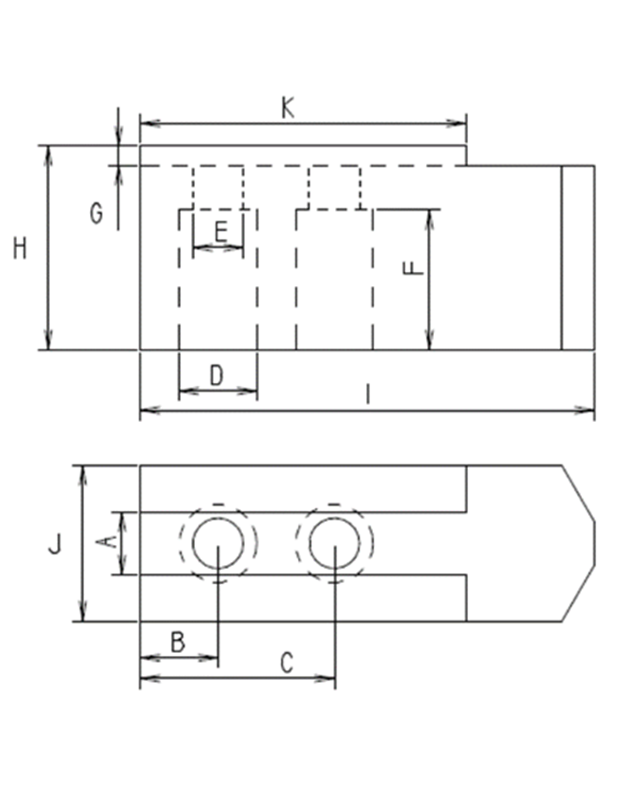
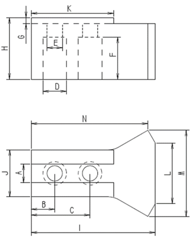
Bakker med specialmål
Har I ikke tegninger eller filer på den ønskede bakke, kan de bestilles ved at udfylde et af vores målskemaer.
Send det udflyldte skema til mail@dreje.dk, så vender vi tilbage med et tilbud og en leveringstid.
Find skemaer på nedenstående links:


